2024년03월23일 13번
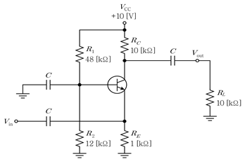
[과목 구분 없음] 다음 BJT 증폭기 회로의 전압이득
은? (단, 직류 전류이득 βDC=250, 교류 이미터 저항 r′e=20[Ω], C=∞, 다이오드의 순방향 전압은 0.7[V]이다)
은? (단, 직류 전류이득 βDC=250, 교류 이미터 저항 r′e=20[Ω], C=∞, 다이오드의 순방향 전압은 0.7[V]이다)
- ① 100
- ② 150
- ③ 250
- ④ 300
(정답률: 37%)
문제 해설